氣動午夜成人免费视频(亦稱耐腐蝕氣動蝶閥)是由氣動活塞式執行器及四氟密封蝶閥組成。適用於溫度≤200℃,有腐蝕性或潔淨度有一定要求工況,氣動午夜成人免费视频是在過流部件、閥體、蝶板、閥杆上采用襯裏技術襯裏較厚的高分子材料,防腐蝕性能優良,可適用於任何濃度的酸、堿、鹽及氧化劑、還原劑、有機溶劑等介質,氣動午夜成人免费视频是化工、石油、醫藥、食品、鋼鐵冶煉、造紙、水電等係統的氣體、液體、半流體的管路和容器上作截流和調節設備使用的理想產品。全襯聚四氟乙烯(F4)和聚全氟乙丙烯(F46)氟塑料襯裏閥,具有耐腐蝕、無泄漏、壽命長等優點。耐腐蝕氣動蝶閥適用於濃硫酸、鹽酸、硝酸、氫氟酸、王水、各種有機酸、強酸、氧化性介質或高溫烯硫酸、高溫濃醋酸、酸堿交替及多種有機溶劑和其它強腐蝕性介質。
氣動午夜成人免费视频 主要特點
1、體積小、重量輕、操作輕巧、便於安裝、維修。
2、密封性能優良可靠、零泄漏,使用壽命長。
3、流量特性趨於直線,調節性能優。
4、結構簡單,開關迅速,90°旋轉啟閉。
5、可代替閘閥、截止閥、旋塞閥、膠管閥及隔膜閥等各種閥門的使用。
6、可根據用戶要求配置氣動、電動裝置,滿足遙控和程控的需要。
7、更換零件襯裏材質可適用於各種介質。
氣動午夜成人免费视频 主要技術參數
閥體
|
閥體形式 |
直通鑄造蝶閥 |
|
公稱通徑 |
DN50~1000mm |
|
公稱壓力 |
PN1.0、1.6 MPa |
|
法蘭標準 |
JIS B220、JB/T79、ANSI B16.5-1981、GB/T9113、HG20594-97、HG20618-97等 |
|
連接形式 |
法蘭式、對夾式 |
|
閥蓋形式 |
一體式 |
|
壓蓋型式 |
壓蓋壓緊式 |
|
密封填料 |
V型聚四氟乙烯填料、柔性石墨填料 |
閥內件
|
閥板形式 |
垂直板式(蝶形) |
|
流量特性 |
線性 |
執行機構
|
執行器型號 |
GT係列、ST係列、AT係列、AW係列單雙作用氣動執行器 |
|
供氣壓力 |
400~700KPa |
|
氣源接口 |
G1/4"、G1/8"、G3/8"、G1/2" |
|
環境溫度 |
-30~+70℃ |
|
作用形式 |
單作用執行機構:氣關式(B)--失氣時閥位開(FO);氣開式(K)--失氣時閥位關(FC) |
|
可配附件 |
定位器、電磁閥、空氣過濾減壓器、保位閥、行程開關、閥位傳送器、手輪機構等 |
注:如需詳細執行器參數,請進入氣動執行器頁麵進行查閱。
氣動午夜成人免费视频 主要零件材料
|
閥體、底座 |
球墨鑄鋼、鑄鋼、不鏽鋼、全襯氟 |
|
蝶板 |
灰鑄鐵、球墨鑄鋼、鑄鋼、不鏽鋼及特殊材料、全襯氟 |
|
密封圈 |
各種橡膠、聚四氟 |
|
閥杆 |
2Cr13、不鏽鋼、全襯氟 |
|
填料 |
V型聚四氟乙烯填料、柔性石墨填料 |
氣動午夜成人免费视频 主要性能指標
|
回差 |
帶定位器:小於全行程的2% |
|
基本誤差 |
帶定位器:小於全行程的±2% |
|
泄露量l / h |
符合ANSI B16.104 IV級標準 |
|
可調範圍R |
50:1 |
氣動午夜成人免费视频 主要性能規範
|
公稱通徑DN(mm) |
50-1800 |
|||
|
公稱壓力 |
PN(MPa) |
0.6 |
1.0 |
1.6 |
|
試驗壓力 |
強度試驗 |
0.9 |
1.5 |
2.4 |
|
密封試驗 |
0.66 |
1.1 |
1.76 |
|
|
低壓氣密試驗 |
0.6 |
0.6 |
0.6 |
|
|
適用介質 |
空氣、水、汙水、蒸氣、煤氣、油品等 |
|||

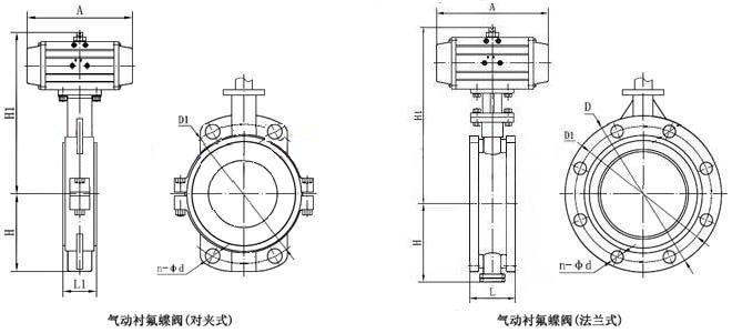
氣動午夜成人免费视频 主要外形尺寸
|
公稱通徑 DN(mm) |
50 |
65 |
80 |
100 |
125 |
150 |
200 |
250 |
300 |
350 |
400 |
450 |
500 |
600 |
700 |
800 |
900 |
1000 |
|
|
L |
90 |
90 |
100 |
115 |
130 |
140 |
150 |
250 |
270 |
290 |
310 |
330 |
350 |
390 |
430 |
470 |
500 |
550 |
|
|
L1 |
43 |
46 |
49 |
56 |
64 |
70 |
71 |
76 |
83 |
92 |
102 |
113 |
127 |
154 |
165 |
190 |
203 |
216 |
|
|
H |
法蘭式 |
63 |
70 |
83 |
105 |
115 |
137 |
164 |
206 |
230 |
248 |
289 |
320 |
343 |
413 |
478 |
525 |
585 |
640 |
|
對夾式 |
63 |
70 |
83 |
105 |
115 |
137 |
164 |
206 |
230 |
248 |
289 |
320 |
343 |
413 |
478 |
525 |
585 |
640 |
|
|
n-φd |
4-18 |
4-18 |
8-18 |
8-18 |
8-18 |
8-22 |
12-22 |
12-26 |
12-26 |
16-26 |
16-30 |
20-30 |
20-33 |
20-36 |
24-36 |
24-39 |
28-39 |
28-42 |
|
|
H1 |
根據所配執行機構而定 |
||||||||||||||||||
|
A |
根據閥門所需力矩而定,配置機型不同,外形尺寸也不相同 |
||||||||||||||||||
|
D |
165 |
185 |
200 |
220 |
250 |
285 |
340 |
405 |
460 |
520 |
580 |
640 |
715 |
840 |
910 |
1025 |
1125 |
1255 |
|
|
D1 |
125 |
145 |
160 |
180 |
210 |
240 |
295 |
355 |
410 |
470 |
525 |
585 |
650 |
770 |
840 |
950 |
1050 |
1170 |
|

